相關推薦
產品介紹
銀泰絲桿,銀泰滾珠絲桿的特性:
滾珠絲杠由螺桿、螺母、鋼球、預壓片、反向器、防塵器組成。它的功能是將旋轉運動轉化成直線運動,這是艾克姆螺桿的進一步延伸和發展,這項發展的重要意義就是將軸承從滾動動作變成滑動動作。由于具有很小的摩擦阻力,滾珠絲杠被廣泛應用于各種工業設備和精密儀器。
滾珠絲杠是工具機和精密機械上最常使用的傳動元件,其主要功能是將旋轉運動轉換成線性運動,或將扭矩轉換成軸向反復作用力,同時兼具高精度、可逆性和高效率的特點。
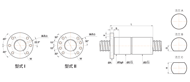
滾珠絲杠主要參數為:公稱直徑與導程。
滾珠絲杠軸承為適應各種用途,提供了標準化種類繁多的產品。廣泛應用于機床,滾珠的循環方式有循環導管式、循環器式、端蓋式。預壓方式有定位預壓(雙螺母方式、位預壓方式)、定壓預壓。可根據用途選擇適當類型。絲桿有高精度研磨加工的精密滾珠絲杠(精度分為從CO-C7的6個等級)和經高精度冷軋加工成型的冷軋滾珠絲杠軸承(精度分為從C7-C10的3個等級)。另外,為應付用戶急需交貨的情況,還有已對軸端部進行了加工的成品,可自由對軸端部進行追加工的半成品及冷軋滾珠絲杠軸承。作為此軸承的周邊零部件,在使用所必要的絲杠支撐單元、螺母支座、鎖緊螺母等也已被標準化了,可供用戶選擇使用。
|
產品特性 |
|||
|
對高導程滾珠絲桿來說,高剛性、低噪音以及溫升控制是十分重要的。采取以下的對策及專利設計使達到如下的特性: |
|||
| 高DN值 | |||
| DN值最高可達220,000。 | |||
| 低噪音 |
![]() |
||
|
螺紋上平均準確的鋼珠節圓直徑(BCD),使得滾珠絲桿獲得穩定一致的預壓扭矩及降低噪音值。 使用高剛性、耐磨耗的強化塑膠材質之回流系統,使鋼珠運轉聲音保持低沉且柔順。 |
|||
| 節省空間 | |||
| 螺帽長度變短,外徑尺寸可減少20%~25%,總體積因此可以減少大約50%。 | |||
|
|
|||
| 循環方式 |
![]() |
||
|
回流路徑與導程角相切又與BCD相切,可有效改善其順暢度。 |
|||
| 應用 | |||
| CNC機床 / 精密專用機 / 高速機床 / 電子生產設備 / 醫學設備 | |||


瀏覽PMI滾珠絲桿的客戶還會看HSK絲桿支撐座:WBK-17DF,WBKE-20,WBKE-15等產品不知道你是否感興趣!
滾珠絲杠討論1群318456296(專家在線為你解答)歡迎你的加入!


